Главная Каталог продукции Прайс-лист Полезная информация контакты
Редукторы цилиндрические
Редукторы червячные
Мотор-редукторы
Преобразователи частоты
Устройства плавного пуска
Аксессуары для ПЧ
Энкодеры
Карта сайта

 

Приводная техника

 

Вся продукция сертифицирована. Мы будем рады видеть Вас клиентом нашей компании.

 

Мотор-редуктор планетарный МПО2М

Мотор-редуктор планетарный МПО2М

 

Описание:

Мотор-редукторы планетарные зубчатые модернизированные специального назначения типа МПО2М-10, МПО2М-15 предназначены для привода аппаратов химической промышленности.

Мотор-редукторы предназначены для режима работы S1 по ГОСТ 183-74 от сети переменного тока с частотой 50 Гц и номинальными напряжениями по ГОСТ 21128-83.

УСЛОВИЯ ПРИМЕНЕНИЯ РЕДУКТОРОВ:

  • нагрузка постоянная или переменная по величине (в пределах допускаемого крутящего момента) и направлению;
  • вращение выходного вала в любую сторону;
  • передачу крутящего момента рекомендуется осуществлять с помощью промежуточного устройства, исключающего действие поперечных сил на выходной вал мотор-редуктора;
  • климатическое исполнение - У и Т, категории размещения 2 и 3 по ГОСТ 15150-69 при высоте над уровнем моря до 1000 м;
  • температура окружающей среды от -40°С до +40°С;
  • окружающая среда - неагрессивная с содержанием непроводящей пыли до 10 мг/м3 и относительной влажностью до 80% при температуре +20°С - для мотор-редукторов с закрытыми обдуваемыми двигателями;
  • взрывоопасная зона класса В-1а, категория взрывоопасных смесей, II-А, II-В, группа взрывоопасных смесей по температуре самовоспламенения Т4 по ПУЭ для мотор-редукторов с взрывозащищенными двигателями.

Мотор-редукторы МПО2М-10 и МПО2М-15 по способу монтажа и положению в пространстве имеют исполнения :

  • Щ - горизонтальное на опорных лапах;
  • Ф - горизонтальное на опорном фланце;
  • В - вертикальное на опорном фланце;
  • ВК - вертикальное на опорном фланце с кольцевой канавкой на выходном валу.

Мотор-редуктор горизонтального исполнения на лапах – Щ

РИС1.
Мотор-редуктор горизонтального исполнения на лапах - Щ.

 

Габарит L1 L2 L3 L4 l A A1 В B1 С H H1 H2 d1 d2 R t
МПО2М-10
125
40
420
60
80
250
150
300
210
12
370
160
20
40
17
150
43
МПО2М-15
215
65
615
100
140
390
210
460
300
18
496
225
35
65
22
210
69

 

Таблица №1.
Мотор-редуктор горизонтального исполнения на лапах.

 

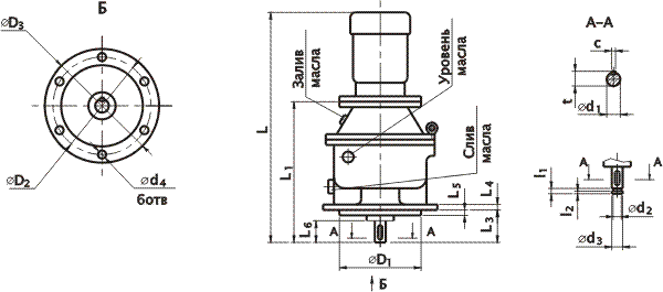
Мотор-редуктор горизонтального фланцевого исполнения – Ф

РИС 2.
Мотор-редуктор горизонтального фланцевого исполнения - Ф

 

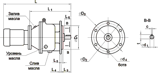
Мотор-редуктор вертикального фланцевого исполнения – В и ВК

РИС3.
Мотор-редуктор вертикального фланцевого исполнения – В и ВК

 

Габарит
L1
L3
L4
L5
L6
D1
D2
D3
d1
d2
d3
d4
l1
l2
c
t
МПО2М-10
420
110
16
6
80
270
300
330
40
32
38
13
11
4
12
43
МПО2М-15
615
190
20
10
140
330
375
420
65
55
62
22
14
6
18
69

 

Таблица №2.
Мотор-редуктор горизонтального и вертикального фланцевого исполнения - Ф , В и ВК

 

 

ТЕХНИЧЕСКИЕ ХАРАКТЕРИСТИКИ.

Мотор-редуктор Электродвигатель
Типо­размер Передаточное число Номинальная частота вращения выходного вала, об/мин масса мотор-редуктора, кг,не более. Корректированный уровень звуковой мощности по шкале А, дБ, не более Тип Мощность, кВт
МПО2М-10
23,1
63
102
89
4АМХ100s4
3
142
2В100s4
28,2
50
102
4АМХ100s4
142
2В100s4
86
86
4АМХ80B4
1,5
100
B80B4
81
4АМХ71B4
0,75
88
B71B4
45,5
31,5
86
4АМХ80B4
1,5
100
B80B4
45,5
31,5
81
86
4АМХ71B4
0,75
88
B71B4
66,5
20
86
4АМХ80B4
1,5
100
B80B4
81
4АМХ71B4
0,75
88
B71B4
81,6
16
81
4АМХ71B4
88
B71B4
208
6,3
71
4АА63B4
0,37
85
B63B4
2190
0,63
71
4АА63B4
85
B63B4
МПО2М-15
24,6




32,1
59




45
267
93
4АМ132М4
11
315
2В132М4
252
4АМ132s4
7,5
305
2В132s4
267
4АМ132М4
11
315
2В132М4
252
4АМ132s4
7,5
305
2В132s4
228
4АМ112МА4
5,5
270
2В112М4
46,9
31
228
4АМ112МА4
270
2В112М4
81,5
18
207
89
4АМХ100sА4
3
260
2В100s4
101,7
14
191
86
4АМХ80В4
1,5
204
В80В4
204
6,7
186
4АМХ71В4
0,75
195
В71В4
4,6
190
4АМХ80А6
202
В80А6
2469
0,56
186
4АМХ71А4
0,55
195
В71А4

 

Типоразмер Радиус водила, мм Допускаемый крутящий момент на выходном валу, Н*м Допускаемые нагрузки на выходном валу, Н
радиальная осевая
МПО2М-10
50
600
3000
1500
МПО2М-15
75
2350
7000
3000

 

Габаритные размеры комплектующих электродвигателей
Тип 4А Тип 2B
Габарит L, mm Габарит L, mm
63В4
186
63В4
245
71А4
245
71А4
265
71В4
245
71В4
265
80А6
260
80А6
300
80В4
270
80В4
300
100S4
305
100S4
455
112MA4
372
112MA4
520
132M4
450
132M4
540
132S4
400
132S4
505

 

ПРИМЕР УСЛОВНОГО ОБОЗНАЧЕНИЯ ПРИ ЗАКАЗЕ.

Мотор-редуктор МПО2М-10Щ-28,2-1,5/50АМХ80В4У3 ТУ 2-056-223-84, где:

  • МПО2М - тип мотор-редуктора;
  • 10 - условный диаметр водила, см;
  • Щ - горизонтальное на опорных лапах;
  • 28,2 - передаточное число;
  • 1,5 - мощность комплектующего двигателя, кВт;
  • 50 - частота вращения выходного вала, об/мин;
  • 4АМХ80В4 - комплектующий двигатель;
  • У3 - климатическое исполнение и категория размещения.


То же, климатического исполнения Т3.

МПО2М-10Щ-28,2-1,5/50АМХ80В4T3 ТУ 2-056-223-84.

 

Приводная техника (мотор-редукторы, преобразователи частоты и устройства плавного пуска) отправляется покупателю транспортной компанией. По всем вопросам обращаться в офис.


Мы всегда рады видеть у себя наших старых партнеров и ждем новых.

Доставка во все регионы России!