Главная Каталог продукции Прайс-лист Полезная информация контакты
Редукторы цилиндрические
Редукторы червячные
Мотор-редукторы
Преобразователи частоты
Устройства плавного пуска
Аксессуары для ПЧ
Энкодеры
Карта сайта

 

Приводная техника

 

Вся продукция сертифицирована. Мы будем рады видеть Вас клиентом нашей компании.

 

 

Редукторы Ч-100, Ч-125, Ч-160

Редукторы червячные Ч-100, Ч-125, Ч-160

 

Одноступенчатый червячный редуктор Ч100, Ч125, Ч160

 

Редукторы червячные одноступенчатые серии Ч-100, Ч-125, Ч-160 предназначен для изменения крутящего момента и частоты вращения. Широко применяются во всех отраслях промышленности и сельского-хозяйства. Гарантия работы в микроклиматических районах с сухим и влажным тропическим климатом (исполнение Т) категорий размещения 1, 2, 3, 4 по ГОСТ 15150-69 и с умеренным климатом (исполнение У).

 

УСЛОВИЯ ПРИМЕНЕНИЯ РЕДУКТОРОВ СЕРИИ Ч-100, Ч-125, Ч-160:

  • нагрузка постоянная и переменная одного направления и реверсивная;
  • работа постоянная и с периодическими остановками;
  • температура внешней среды — от минус 40 до плюс 50°С;
  • вращение валов в любую сторону;
  • внешняя среда — неагрессивная, невзрывоопасная.

 

Червячный редуктор Ч-80, Ч-100, Ч-125, Ч-160

Червячный редуктор Ч100-Ч160 выходной вал конический

Червячный редуктор Ч100-Ч160 выходной вал целендрический

 

Червячный редуктор Ч100-Ч160 Полый выходной вал


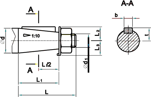
РИС1.
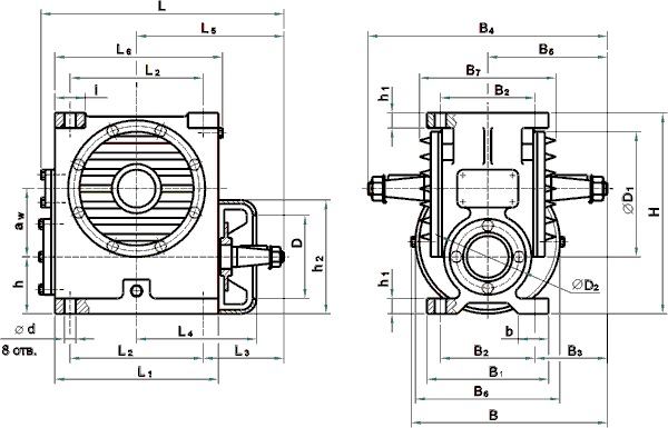
Габаритные и присоединительные размеры Ч100, Ч125, Ч160

 

Обознач. размеров Тип редуктора Обознач. размеров Тип редуктора
Ч-100 Ч-125 Ч-160 Ч-100 Ч-125 Ч-160
aw
100
125
160
h1
18
22
30
L
373
437
551
h2
179
217
271
L1
240
275
350
D
140
165
100
L2
200
230
300
D1
220
275
340
L3
125
146
195
D2
150
170
210
L4
177
210
245
B
341
363
434
L5
225
261
345
B1
175
230
280
L6
257
290
373
B2
140
190
230
1
40
45
70
В3
155
135
165
d
19
19
22
В4
450
460
560
b
45
60
70
B5
225
230
280
Н
312
396
500
В6
218
246
286
h
100
111
140
В7
217
242
278

 

 

Тип Выходные концы валов L L 1 L2 L3 b d d1 t m
Ч-100
конические
Вал быстроходный
80
58
24
18
6
32
M20xl,5-8g
17,05
-
Ч-125
80
58
24
18
6
32
M20xl,5-8g
17,05
-
Ч-160
110
82
28
20
10
40
M24x2- 8g
20,95
-
Ч-100
Вал тихоходный
110
82
32
25
12
45
М30х2- 8g
23,45
-
Ч-125
110
82
38
30
14
55
МЗбх3 -8g
28,95
-
Ч-160
140
105
50
40
18
70
М48х3- 8g
36,38
-
Ч-100
цилиндрические
Вал быстроходный
80
-
-
-
10
32
-
35
-
Ч-125
80
-
-
-
10
32
-
35
-
Ч-160
110
-
-
-
12
40
-
43
-
Ч-100
Вал тихоходный
110
-
-
-
14
45
-
48,5
-
Ч-125
110
-
-
-
16
55
-
59
-
Ч-160
140
-
-
-
20
70
-
74,5
-
Ч-100
Вал полый шлицевой
205
90
57.5
-
-
45
46
2
Ч-125
230
110
60
-
-
55
60
2,5
Ч-160
275
130
72.5
-
-
70
72
2,5

 

Таблица №1.
Габаритные и присоединительные размеры червячных редкторов Ч100, Ч125, Ч160

 

Червячный редуктор Ч100, Ч125, Ч160

РИС2.
Вариант сборки редукторов и расположения червячной пары Ч-80, Ч-100, Ч-125, Ч-160

 

ТЕХНИЧЕСКИЕ ХАРАКТЕРИСТИКИ Ч-80, Ч-100, Ч-125, Ч-160

 

U ном. Ч-100 Ч-125 Ч-160
U фак. 1500мин.-1 1000мин.-1 750мин.-1 U фак. 1500мин.-1 1000мин.-1 750мин.-1 U фак. 1500мин -1 1000мин.-1 750мин.-1
Мт Н.м ? Мт Н.м ? Мт Н.м ? Мт Н.м ? Мт Н.м ? Мт Н.м ? Мт Н.м ? Мт Н.м ? Мт Н.м ?
8
7,75
380
0,93
426
0,92
477
0,91
8
659
0,93
758
0,92
826
0,91
8
1250
0,94
1400
0,93
1567
0,92
10
10
367
0,93
410
0,91
460
0,90
10
636
0,93
712
0,92
800
0,91
10,5
1153
0,93
1294
0,92
1450
0,91
12,5
12
374
0,92
420
0,90
470
0,89
13
626
0,92
700
0,91
785
0,89
13
1150
0,93
1290
0,91
1440
0,90
16
15,5
392
0,89
440
0,87
492
0,85
16
676
0,89
757
0,87
850
0,86
16
1390
0,91
1557
0,89
1743
0,88
20
20
389
0,87
414
0,85
464
0,83
20
653
0,88
730
0,86
820
0,84
21
1150
0,88
1290
0,86
1442
0,84
25
24
372
0,87
417
0,84
466
0,83
25
616
0,87
690
0,84
772
0,82
26
1110
0,87
1243
0,85
1392
0,83
31,5
31
400
0,70
448
0,66
500
0,63
32
800
0,81
890
0,78
1000
0,75
32
1600
0,83
1790
0,82
2000
0,79
40
40
387
0,78
433
0,74
485
0,71
40
692
0,79
715
0,76
870
0,73
42
1244
0,79
1360
0,76
1522
0,73
50
48
389
0,77
436
0,73
488
0,71
52
640
0,77
717
0,73
803
0,70
52
1168
0,73
1310
0,74
1465
0,71
63
64
313
0,69
350
0,64
396
0,60
60
610
0,76
683
0,71
765
0,68
66
1033
0,74
1157
0,70
1295
0,66
80
84
292
0,69
327
0,61
366
0,58
84
525
0,69
590
0,63
660
0,60
78
1092
0,74
1223
0,69
1370
0,64
Консольная нагрузка
Рб; Н
800
1200
1600
Рт; Н
5500
8000
11000
Уровень звука
ДБА
80
80
80
Масса
кг
57 (44)
88
157

 

где: Uном; Uфак.- номинальное и фактическое передаточное число; 1500мин-1; 1000мин-1; 750мин-1-частота вращения быстроходного вала; Мт – наибольший допускаемый крутящий момент, Н·м; ? – коэффициент полезного действия; Рб – консольная нагрузка на середину шейки быстроходного конца вала, Н; Рт – консольная нагрузка на середину шейки тихоходного конца вала, Н; в скобках- масса редуктора с алюминиевым корпусом.

 

ПРИМЕР УСЛОВНОГО ОБОЗНАЧЕНИЯ ПРИ ЗАКАЗЕ:

 

Редуктор Ч-100-40-51-У3-В - где:
  • Ч — тип редуктора;
  • 100 — межосевое расстояние, мм.;
  • 40 — номинально передаточное число;
  • 51 — вариант исполнения сборки;
  • У3 — климатическое исполнение и категория размещения;
  • В — поставка редуктора с вентилятором (для режима работы — 1)

Примечание: Редукторы червячные Ч-80, Ч-100, Ч-125, Ч-160 укомплектованы коническими входными и выходными валами. Цилиндрическое исполнение входного или выходного вала оговариваются при заказе.

 

Приводная техника (мотор-редукторы, преобразователи частоты и устройства плавного пуска) отправляется покупателю транспортной компанией. По всем вопросам обращаться в офис.


Мы всегда рады видеть у себя наших старых партнеров и ждем новых.

Доставка во все регионы России!