Главная Каталог продукции Прайс-лист Полезная информация контакты
Редукторы цилиндрические
Редукторы червячные
Мотор-редукторы
Преобразователи частоты
Устройства плавного пуска
Аксессуары для ПЧ
Энкодеры
Карта сайта

 

Приводная техника

 

Вся продукция сертифицирована. Мы будем рады видеть Вас клиентом нашей компании.

 

 

Плоский цилиндрический мотор-редуктор TNC

Цилиндрический (плоский) мотор-редуктор TNC


Плоский цилиндрический мотор-редуктор TNC

Мотор редукторы серии TNC по размерам и мощности дают широкие возможности применения. Благодаря использованию качественных материалов, традиционной точности изготовления и тщательности сборки гарантирована поставка качественного изделия, обладающего высокой долговечностью и надежностью в эксплуатации. Редукторы TNC с цилиндрической передачей, спроектированны с помощью вычислительной техники и использованием качественных специализированных расчетных программ, что позволило получить изделие с оптимальными размерами и функциональными параметрами. Применение интегрированных зубьев позволило уменьшить размеры редуктора, а высококачественная обработка зубьев ограничивает появление вибраций и гарантирует бесшумный ход. С помощью вычислительной техники (CAD) разработаны чертежи и сопроводительная документация.

Большое множество комбинаций входных и выходных валов и фланцев делает возможным применение редукторов почти для всех требуемых вариантов привода. Форма редуктора допускает простое присоединение ко всем видам оборудования. Составление передач и их тонкая дифференциация по степеням начиная с i = 4.4 делает возможным точный выбор требуемых выходных оборотов. Коробки передач можно укомплектовать двигателями в широкой шкале моделей.

Все редукторы имеют полиуретановое покрытие нанесенное на специально подготовленный грунт. Для редукторов TNС за счет окраски унифицируется также цвет окраски установленного двигателя.

При наличии требования плавного изменения числа оборотов, постоянства оборотов или постоянства момента вращения редукторы TNС оснащаются преобразователями частоты.

Торцевые редукторы поставляются в варианте исполнения ТNС с полым входным валом, приспособленные для монтажа электродвигателей с размерами согласно IEC.
Если требуется редуктор TNС без установленного двигателя, то в заказе необходимо указать диаметр вала электродвигателя и размер фланца (диаметр делительной окружности крепежных отверстий).

 

 

Технические характеристики
Габаритные и присоединительные размеры
Варианты установки
 

TNC53-71-20-4.0-1-1

  • TNC – серия оборудования;
  • 5 – конкретный типоразмер;
  • 3 – число ступеней;
  • 71 – характеристика передаточного числа;
  • 20 – вращение выходного вала, об/мин;
  • 4,0 – мощность электрического двигателя, кВт.

 

Без электродвигателей предусмотрены нижеприведенные варианты агрегатов:

  • Входной цилиндрический вал без электродвигателя, фланец IM 3641 FT ** (OM B14 FT ***);
  • Фланец меньшего размера В14 без электрического двигателя с фланцем IM 3641 FT ** (IM B14 FT ** );
  • Фланец большего размера  В14 без электрического двигателя с фланцем IM 3041 (IM B5)
  • 1 - исполнение без крепежного фланца (2 – тип исполнения с фланцем);
  • 1 - монтажная позиция.

 

 

Варианты установки

 

Монтажная позиция мотор-редукторов TNC

Монтажная позиция мотор-редукторов TNC

Монтажная позиция мотор-редукторов TNC

Монтажная позиция мотор-редукторов TNC

Монтажная позиция мотор-редукторов TNC

Монтажная позиция мотор-редукторов TNC

 

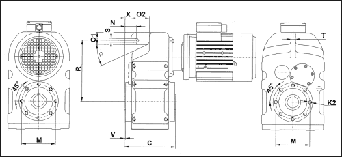
Габаритные и присоединительные размеры

 

Габаритные и присоединительные размеры TNC

 

A
A1
A2
B
P
L
I
G
H
AB
C
C1
C2
C3
K1
TNC 1
31
-
115
77
20
156
112
248
74,5
165
122
63-34
105
61
M8x18
TNC 2
43
-
145
93
28
192
131
272
80
180
155
80-50
132
77,5
M10x18
TNC 3
62,5
125
190
112
30,5
216,5
159
346
100
220
180
70-70
156
90
M12x18
TNC 4
70
140
240
140
32,5
250
200
425
123
270
210
70-70
183
105
M16x20
TNC 5
100
200
310
165
38
301
247
541
165
330
243
80-80
210
121,5
M16x20

 

 

Габаритные и присоединительные размеры TNC

 

d7
D1
F
GA
R
N
S
T
O1
O2
X
V
M
K2
TNC 1
45
30
8
33,5
158
31
14
12
47,5
25
14
2
25
94
M8x12
TNC 2
50
35
10
38,3
170
32
14
12
53
23
14
3
25
102
M8x18
TNC 3
55
40
12
43,1
218
41
14
16
65
39
21
3,5
25
120
M12x18
TNC 4
70
50
14
53,7
278
49
22
20
72
47
23
3
20
142
M12x20
TNC 5
85
60
18
64,4
346
62
22
26
89
56
21
4
22
175
M16x24

 

 

Технические характеристики

 

Значения номинальной мощности для коэффициента Sm= 1 при n1= 1400 мин-1
Тип
Передаточное отношение i
Обороты
n2[ мин-1]
Мак. выходной крутящий
момент M2max[ Нм ]
Макс. мощность на
входе Р1[kW]
TNC 12
7,2
194
84
1,80
8,0
175
78
1,50
9,1
154
71
1,21
11,1
126
65
0,90
12,9
109
63
0,75
14,8
95
173
1,80
16,6
84
161
1,50
18,8
74
147
1,21
22,9
61
134
0,90
26,7
52
130
0,75
TNC 13
31,4
45
147
0,72
35,2
40
164
0,72
39,7
35
170
0,66
48,5
29
189
0,60
52,2
27
186
0,55
56,4
25
190
0,52
61,1
23
190
0,48
71,0
20
189
0,41
79,5
18
196
0,38
89,8
16
204
0,35
109,8
13
213
0,30
127,5
11
215
0,26
138,3
10
224
0,25
TNC 22
6,2
226
157
3,90
7,0
200
177
3,90
8,1
173
189
3,60
9,3
151
199
3,30
10,9
128
212
3,00
11,1
126
281
3,90
12,6
111
294
3,60
13,0
108
222
2,64
14,4
97
287
3,08
16,6
84
284
2,64
19,5
72
278
2,20
23,2
60
271
1,80
TNC 23
30,4
46
355
1,80
34,6
40
348
1,55
39,6
35
367
1,43
45,8
31
359
1,21
53,6
26
340
0,98
63,8
22
343
0,83
71,9
19
349
0,75
81,7
17
371
0,70
93,5
15
370
0,61
108,2
13
386
0,55
126,7
11
394
0,48
150,9
9
401
0,41
TNC 32
4,6
304
295
9,90
5,3
264
321
9,35
6,1
230
326
8,25
7,2
194
334
7,15
8,5
165
485
8,80
9,8
143
489
7,70
11,4
123
488
6,60
13,4
104
478
5,50
TNC 33
25,5
55
661
4,00
29,1
48
622
3,30
33,5
42
621
2,86
38,9
36
610
2,42
45,8
31
623
2,10
54,8
26
639
1,80
60,1
23
428
1,10
68,6
20
489
1,10
78,9
18
562
1,10
91,7
15
654
1,10
107,8
13
734
1,05
128,9
11
752
0,90
154,8
9
752
0,75
TNC 42
4,4
318
359
12,60
4,9
286
359
11,30
5,6
250
374
10,30
6,8
206
383
8,70
7,9
177
415
8,10
9,2
152
411
6,90
9,9
141
808
12,60
10,1
139
412
6, 30
11,1
126
813
11,30
12,6
111
841
10,30
15,4
91
868
8,70
17,8
79
934
8,10
20,9
67
935
6,90
22,9
61
935
6,30
TNC 43
30,9
45
1211
6,05
34,7
40
1304
5,80
39,2
36
1321
5,20
47,9
29
1242
4,00
55,5
25
1295
3,60
65,2
21
1301
3,08
71,1
20
1216
2,64
79,8
18
1319
2,55
90,2
16
1403
2,40
110,2
13
1393
1,95
127,7
11
1448
1,75
150,1
9
1459
1,50
164,0
9
1403
1,32
TNC 52
4,5
311
519
18,70
5,3
264
602
18,70
6,0
233
634
17,60
7,4
189
691
15,40
8,6
163
746
14,30
9,3
151
757
13,20
10,2
137
761
12,10
11,0
127
1268
18,70
13,1
107
1489
18,70
14,8
95
1585
17,60
18,2
77
1728
15,40
21,1
66
1860
14,30
25,1
56
1872
12,10
TNC 53
31,1
45
2267
11,25
37,0
38
2345
9,78
41,9
33
2349
8,65
51,4
27
2498
7,50
59,9
23
2562
6,60
65,1
22
2578
6,11
71,0
20
2618
5,69
79,0
18
2176
4,25
94,0
15
2498
4,10
106,5
13
2761
4,00
130,7
11
2820
3,33
152,2
9
2959
3,00
165,3
8
2924
2,73
180,4
8
2923
2,50

 

Плоский цилиндрический мотор-редуктор TNC, TNC 12, TNC 13, TNC 22, TNC 23, TNC 32, TNC 33 , TNC 42, TNC 43, TNC 52, TNC 53

 

Приводная техника (мотор-редукторы, преобразователи частоты и устройства плавного пуска) отправляется покупателю транспортной компанией. По всем вопросам обращаться в офис.


Мы всегда рады видеть у себя наших старых партнеров и ждем новых.

Доставка во все регионы России!